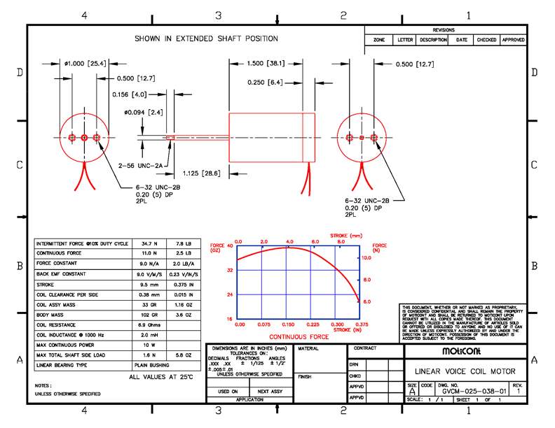
Vacuum Compatible Linear Motor with Internal Shaft & Bearing, GVCM-025-038-01VAC
Continuous Force: 2.5 lb (11.0 N), Stroke: 0.375 in (9.5 mm)
|
|
|
|
|
| Housing Outside Diameter, 1.000 inch, 25.4 mm | ||||||||
|
||||||||
| Model # | Stroke | Continuous Force | Intermittent Force @ 10% Duty Cycle | Housing Length | ||||
| GVCM-025-038-01VAC | 0.375 | inch | 2.5 | lb | 7.8 | lb | 1.500 | inch |
Datasheet in PDF ![]() |
9.5 | mm | 11.0 | N | 34.7 | N | 38.1 | mm |
Drawing quick view
![]() |
Download 3D STEP | |||||||
| Share this page: |
| Tweet |






















