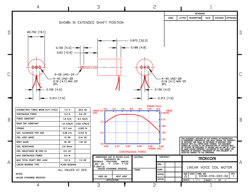
Vacuum Compatible Linear Motor with Internal Shaft & Bearing, GVCM-019-022-02VAC
Continuous
Force: 8.4 Oz (2.3 N), Stroke: 0.500 in (8.4 mm)
|
|
|
|
|
| Housing Outside Diameter, 0.750 inch, 19.1 mm | ||||||||||
|
||||||||||
|
The miniature GVCM-019-022-02VAC Linear Voice Coil
Servo Motor, is just three-fourths of an inch (19.0
mm) in diameter and features a half inch (12.7 mm)
stroke. This very small linear actuator, also
referred to as an electric cylinder, features 8.4
ounces (2.3 N) of continuous force and 26.6 ounces
(7.4 N) of peak force at a 10 percent duty cycle. This non-commutated brushless servo motor features: High reliability, high speed, high acceleration/deceleration, and repeatability when used in a servo loop, and zero cogging. The compact housing and coil end combined are just 1.063 in. (27.0 mm) long and in the fully extended position the threaded shaft extends 0.786 in. (19.9 mm) beyond the face of the housing. The end of the shaft has a 2-56 UNC-2A thread 0.156 in. (4.0 mm) long for backlash free connections. Both the housing and coil ends of the actuator have two 4-40 UNC-2B threaded mounting holes on 0.313 (7.9 mm) bolt circles for easy integration into an application. |
||||||||||
| Model # | Stroke | Continuous Force | Intermittent Force @ 10% Duty Cycle | Housing Length | ||||||
| GVCM-019-022-02VAC | 0.500 | inch | 8.4 | oz | 26.6 | oz | 0.875 | inch | ||
Datasheet in PDF ![]() |
12.7 | mm | 2.3 | N | 7.4 | N | 22.2 | mm | ||
Drawing quick view
![]() |
Download 3D STEP | |||||||||
| Share this page: |
| Tweet |






















